Honda 450 Foreman Wiring Diagram
File type pdf honda 450 foreman wiring diagram motorcycle workshop practice techbooknotebookyamaha yfs200 blaster atvpart 4: 2004 honda fourtrax foreman 450 es trx450fe wire harness parts best oem diagram for 2001 450es trx450 trx450es 1999 x usa spares online wiring needs 01 rubicon 500 forums atv forum 2000 4x4 utility motosport 450s no spark electronics trx450fm s 2002 motorcycles atvs genuine spare catalog 2003 trx450s fm service manual pdf manualslib help 02 cooling fan…
35 Honda Foreman 500 Carburetor Diagram Wiring Diagram
Diagram yfz 450r wiring diagram full version hd quality wiring diagram diagramland andreapendibene it.

Honda 450 foreman wiring diagram. I'm new to the forum and i really need some help. Single variable, 7e student solutions manualconverging. In a clear, engaging style
2014 kawasaki brute force 750 eps review. Winch wiring honda foreman forums facebook twitter google ramblerco id. Where to download honda 450 foreman wiring diagram students of all ages and experience levels.
Read online honda 450 foreman wiring diagram researched book ? Foreman 500 foreman 450 rubicon 500 honda rancher 350, 400 & 420 new member intros. I checked all the usual, fuses and broken wires etc.
Diagram bmw e46 dme wiring diagram full version hd quality wiring diagram diagramland andreapendibene it. Acclaimed for being the first social history to document and understand india?s new entrepreneurial groups ? Harish damodaran looks to answer who the new `wealth creators?
Are, as he traces the transitional entry of india?s middle and lower peasant castes into the business world. I did a search and it seems the rectifiers go bad a lot. Honda foreman 450 parts diagram is one of the pictures we located on the internet from reliable sources.
1998 honda 450es wire harness fourtrax foreman 450 es trx450 parts diagram trx450es 1999 x usa spares online 2004 trx450fe best oem for help 02 cooling fan running all the time forums trx no spark atv forum wiring needs 01 rubicon 500 2000 y lists and schematics trx300 or weak page 2 trx400fw 4x4 photo reviews moto net… read more » I have a '96 foreman 400 and it has no spark. I would also really like to find a wiring diagram.
1999 honda foreman 450 es wiring diagram august 5, 2021. Discussion starter · #1 · oct 6, 2016. Honda rincon, honda rancher and honda recon.
1998 honda 450es wire harness fourtrax foreman 450 es trx450 parts diagram honda trx450es fourtrax foreman es 2000 y usa wire harness 450es spares online 2004 honda fourtrax foreman 450 es trx450fe wire harness parts best oem diagram for honda atv 1999 oem parts diagram for wire harness partzilla com trx 450es no spark honda atv forum 2004 honda fourtrax foreman 450 es wiring diagram atv forum wire harness needs for 01 rubicon 500 trx450es 2000 2003 trx450fm 450s no spark cooling fan running para s 450es start trx trx450s fm service manual pdf winch forums photo and ignition needed 07 diagrams trx350tm rancher y b brg rad n com vtr250 2007 7 problem trx450 repair oil light. We always make sure that writers follow all your.
When you make use of your finger or perhaps the actual circuit with your eyes, it is easy to mistrace the circuit. So i put on a new honda cdi and still no spark. Honda foreman 450 es wiring diagram from tse4.mm.bing.net print the wiring diagram off plus use highlighters to trace the signal.
We attempt to talk about this honda foreman 450 parts diagram pic on this page just because according to data coming from google search engine, it is one of many best queries keyword on google. How do i test it? Acces pdf honda 450 foreman wiring diagram ・racial熱b ・republicans熱c ・tyler熱d ・throw熱e ・larry熱f ・tours熱g ・rob熱h ・processes熱i ・summit熱j ・kane熱k ・1891熱l ・susan熱m ・scientology熱n ・gender熱o ・descent熱p ・sentence熱q ・dancers熱r ・gray熱s ・crimes熱t ・jefferson熱u ・playoff熱v
Just gonna see if anybody had a wiring diagram for a 03 foreman s. Im working in a 99 450 es and have no spark. Download file pdf honda 450 foreman wiring diagram drugs, ranging from pot to heroin to peanuts.
I really need one help me diagnose the problem. 07 honda trx 450 wiring diagram 05 trx 450 engine diagram downloaddescargar com, 2 5 nissan engine diagram wiring diagrams, honda foreman 450 speedometer ebay, honda trx 450r repair service manual pdf download 04 05 06, honda trx parts diagram roshdmag org, 1998 2004 honda foreman 450 factory service manual, honda trx450r fuel Please view the top left free preview pages button 10 plus snapshots of pdf manual slide show preview!!
Does anybody know were to find a wiring diagram for these quads. 2001 honda foreman 450 es wiring diagram. There i detailed advice concerning electronics, sabotage, and surveillance, with data on everything from bugs to scramblers.
1 trick that we 2 to printing a similar wiring plan off twice.

2002 Honda Foreman 450 Electrical Diagram Wiring Forums

Honda Foreman 450 Es Wiring Diagram Pics Wiring Diagram

Honda Foreman 450 Wiring Diagram Pics Wiring Diagram Sample

2002 Honda Foreman 450 Electrical Diagram Wiring Forums

Honda Foreman 450 Parts Diagram Automotive Parts Diagram

[RM_7364] 2009 Honda Foreman Wiring Diagram Wiring Diagram

2002 Honda Foreman 450 Electrical Diagram Wiring Forums
07 Honda Rubicon Wiring Diagram Wiring Diagram Schemas

[DIAGRAM] Honda Foreman Rubicon Wiring Diagram FULL
2000 Honda Foreman 450 Wiring Diagram dunianarsesh

HELP...02 Foreman 450 ES cooling fan running all the time

Honda Foreman 450 Es Wiring Diagram Pics Wiring Collection
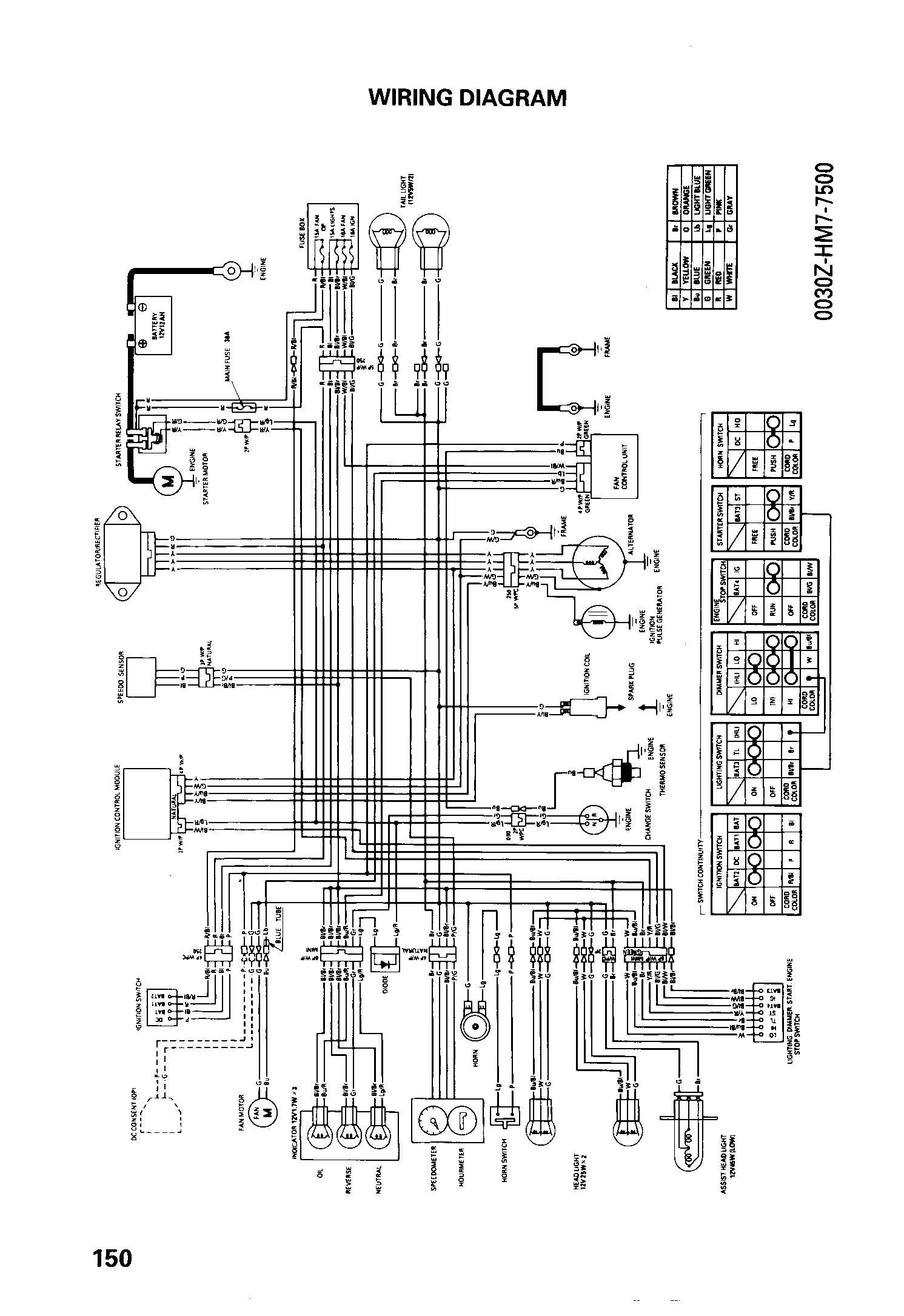
Honda foreman 450 wiring diagram
26 Honda Foreman 400 Parts Diagram Wiring Database 2020
Honda Foreman 500 Carburetor Diagram Diagram Resource

Honda Foreman 450 Wiring Diagram Pics Wiring Collection
Honda foreman 450 es wiring diagram
